Gehäuse M16 Gerätesteckverbinder Vorderwandmontage
CHF 16.55 exkl. Mwst., zzgl. Versandkosten
Beschreibung
M16 Gerätesteckverbinder Vorderwandmontage (Nur Gehäuse, exkl. Einsatz und Kontakte)
Das M 16 Stecksystem von HUMMEL ist bei Anwendern traditionell sehr beliebt. Der Grund dafür ist die große Leistungsfähigkeit bei geringstem Platzbedarf.
.
Ein riesiger Modulbaukasten
Der modulare Aufbau macht’s möglich: Viele HUMMEL-Steckergehäuse lassen sich mit zahlreichen Kontakteinsätzen kombinieren. Mit dem System, welches wie ein riesiger Modulbaukausten funktioniert, lässt sich eine große Anzahl an Varianten realisieren. Daraus ergeben sich
zahlreiche Vorteile:
.
// riesige Anzahl von Kombinationsmöglichkeiten
// einheitliche Konfektionierung
// einfache Disposition
// minimierte Lagerhaltung
// Montage und Demontage ohne Spezialwerkzeug
.
So funktioniert das System:
// Für eine der Steckverbinderserie entsprechend der Applikation und der gewünschten Polzahl entscheiden.
// Gehäusebauformen auswählen (Kabelsteckverbinder, Kupplung, Winkel, Gerätestecker) mit dem gewünschten Verschluss-System (Schraubverschluss, TWILOCK, TWILOCK S)
// Passenden Einsatz wählen (Stifteinsatz oder Buchseneinsatz) >siehe Zubehör
// Zugehörige Kontakte (Stifte oder Buchsen) in der benötigten Anzahl wählen >siehe Zubehör
.
Weitere, nicht publizierte HUMMEL Produkte und Ausführungen auf Anfrage.
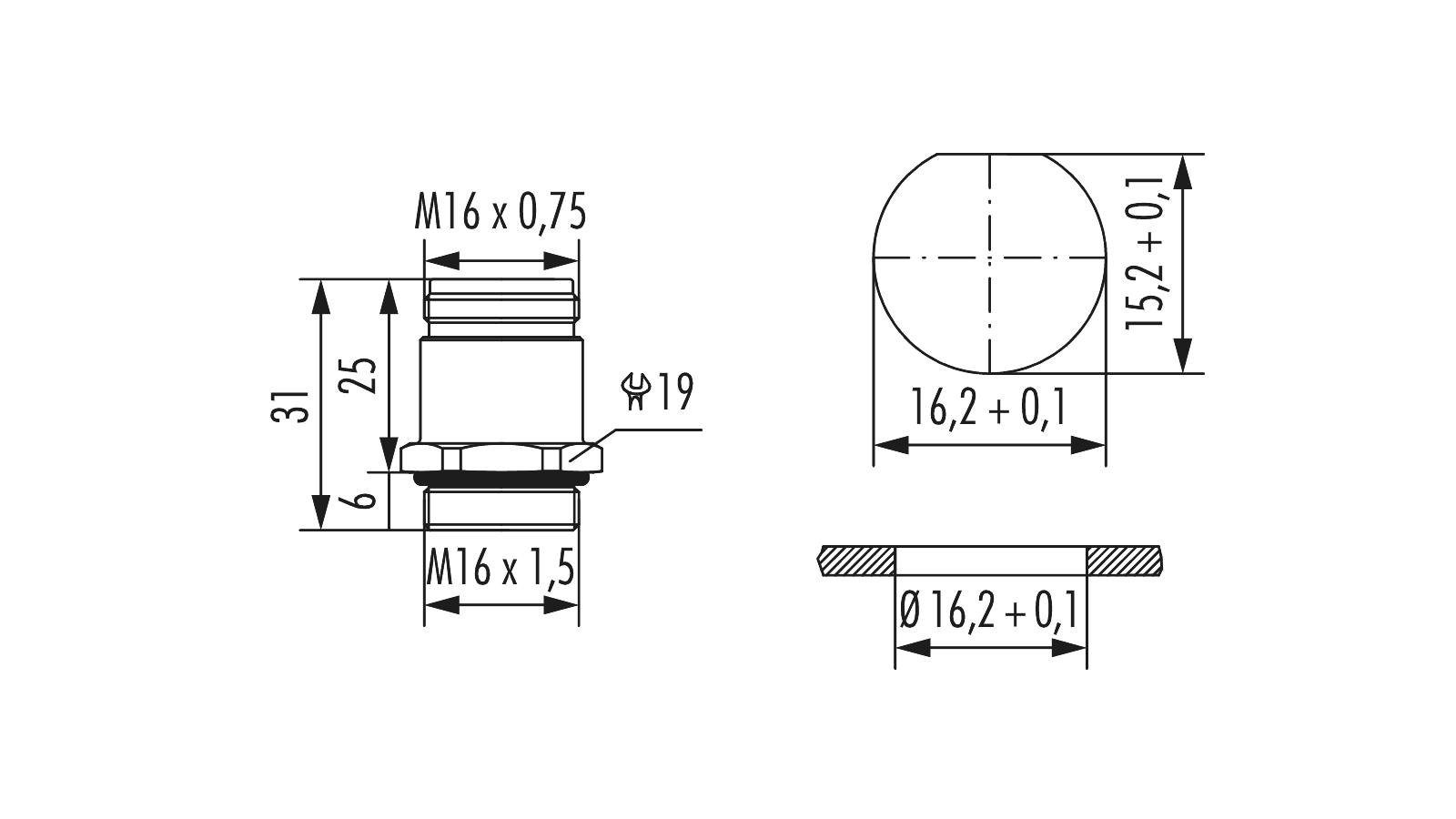
Technische Daten
- Material Gehäuse: Aluminium-Legierung, Kupfer-Zink-Legierung, Zink-Druckguss
- Material Gehäuseoberfläche: vernickelt
- Ausführung: Vorderwand
- Außengewinde (AG): M16 x 1,5
- Außengewinde steckseitig: M16 x 0,75
- Verriegelungsart: Verschrauben
- Schirmung: ungeschirmt
- Material Dichtungen/O-Ringe: FKM (FPM), NBR
- Einbaumaße:Ø 16,2 + 0,1 mm
- Schlüsselweite (SW1): 19 mm
- Temperaturbereich: -40°C …+125°C
- Schutzart: IP67 / 69K
// Gehäuse ohne Kontakteinsätze
// elektrische Daten sind abhängig vom Kontakteinsatz
.
Fehler und Technische Änderungen vorbehalten
Zusätzliche Information
| Rundsteckverbinder | ||||||||||||||||||
|---|---|---|---|---|---|---|---|---|---|---|---|---|---|---|---|---|---|---|
|
||||||||||||||||||
| LEDs | ||||||||||||||||||
|
|
||||||||||||||||||
| More | ||||||||||||||||||
|
||||||||||||||||||
Datenblätter
| Montageanleitung Gerätesteckverbinder | PDF(55.48 KB) |
|---|
Zubehör
-
7003908101
M16 Crimpeinsatz (m) 8-polig (4+3+PE), 600V ohne KontakteCHF 7.7044 Sofort Lieferbar -
7003908102
M16 Crimpeinsatz (w) 8-polig (4+3+PE) 600V ohne KontakteCHF 7.70Lieferbar auf Bestellung -
7003910101
M16 Kontakteinsatz 10-polig 7.003.910.101CHF 3.4027 Sofort Lieferbar -
7003910102
M16 Kontakteinsatz 10-polig 7.003.910.102CHF 3.4033 Sofort Lieferbar -
7003983101
M16 Crimpeinsatz (m) 3polig (3x 2mm), ohne KontakteCHF 2.8525 Sofort Lieferbar -
7003983102
M16 Crimpeinsatz (w) 3polig (3x 2mm), ohne KontakteCHF 2.85181 Sofort Lieferbar
Gerne beraten wir Sie persönlich
Für alle Fragen zu unseren Produkten ist unser technischer Support gerne für Sie da. Unsere kompetenten Produktspezialisten mit Projekterfahrung begleiten sie gewissenhaft bei ihren Projekten. Es ist uns wichtig, unseren Kunden zu jeder Zeit einen Top-Service zu bieten.

